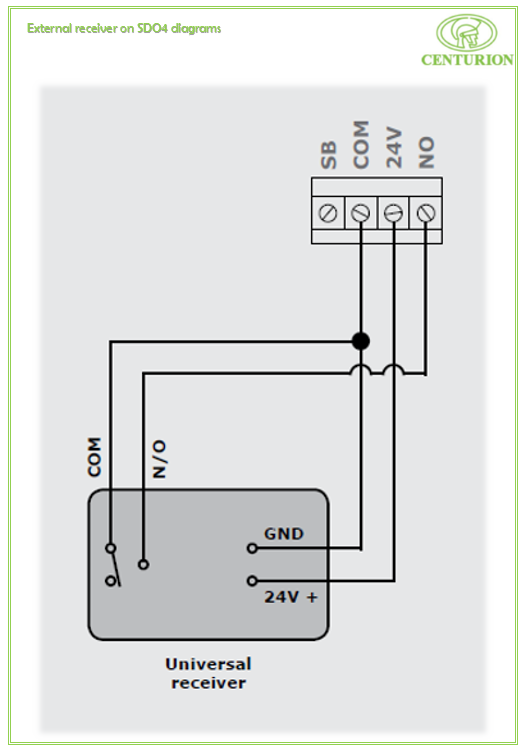
The below is a diagram of a external receiver wired to a Centurion D3 SMART sliding gate operator. This configuration will allow for gate activation on trigger and/or pedestrian inputs of the gate operator using a external remote. Here are the ...
The below is a diagram of a external receiver wired to a Centurion D5 EVO SMART sliding gate operator. This configuration will allow for gate activation on trigger using a external remote. Here are the configuration steps to follow after wiring an ...